1. 단파 정류 회로
▣ 단상 반파 정류회로는 다이오드 한개로 구성된 정류회로이다.

▣ 정류의 직류분은 평균값으로 나타내면 최대전압을 π로 나누어 산정한다.

|
단상반파 맥동률
|
단상전파
|
3상 반파
|
3상 전파
|
|
121%
|
48%
|
17%
|
4%
|
2. 단상 전파 정류회로
▣ 단상 전파 정류회로는 다이오드 2개로 구성된 정류회로이다.

▣ 직류분 전압은 다음과 같다.

▣ 다이오드 4개에 의한 단상 전파 정류회로는 첨두역전압만 √2 E로 다르다.

다. 3상 반파 정류회로 : Ed = 1.17 E
라. 3상 전파 정류회로 : Ed = 1.35 E
3. 다이오드 정류 회로
▣ 먼저 다이오드의 성질에 대하여 알아 봅시다.

다이오드는 Anode와 Cathode 극을 갖는 반도체 소자이다.
anode극에 + 전류 0.7[V]이상이 걸리면 도통상태가 되고 그 이하 즉 (-) [V]가 걸리면 불통상태가 된다.
이러한 성질을 이용하여 교류전류를 직류 전류로 바꾸는 정류하는 소자로 이용한다.
다이오드는 0.7[V]에 도통되므로 0.7[V]의 전력손실이 발생하게 된다.
가. 단상반파 정류회로
▣ 단상반파 정류회로는 한개의 #다이오드 로 교류를 직류로 정류하는 회로이다.

다이오드 한 개로 정류를 하게 되면 다이오드의 anode극에 +전압(0.7)이상이 걸리면
다이오드에는 전류가 흐르고 그 이하의 전압이 걸리면 전류가 흐르지 않는다.
따라서 정현파 전류 한 주기(2π) 중에서 절반 (π)만 전류가 흐르게 된다.
반파 정류회로에는 맥동율(출렁거림 121[%]) 크기 때문에 이를 완화해 주기 위하여
콘덴서를 병렬로 연결하여 평활회로를 구성한다.
① 입력 전압 Vi = 100이라면 출력 직류 평균전압은 √2/π E , 즉 0.45 E이다.
여기서 E는 실효값을 말한다.
② PIV ( #첨두역전압 ) : 역방향 전압을 말하며 cathode 극에 +, anode극에 - 전압이
걸렸을 때 막아 주는 전압으로 원래 전압의 최대값(Max)이 된다. 따라서 첨두역전압은
√2E가 된다. 즉, E는 실효값이고 첨두역전압(PIV)은 최대값이다.
나. 단상 전파 정류회로
1) 다이오드가 2개인 경우

다이오드가 2개인 경우에는 전원선이 양쪽에 다이오드가 설치되어 모든 극성에서 전류가 흐르게 되므로
모든 파형을 정류하게 된다.
① 입력전압 Vi = 100[V]를 걸어주면 출력은 50[V]로 떨어진다. 변압기의 2차측이 절반으로 줄어들기 때문이다.
따라서 이를 해결하기 위하여 변압기의 권수비를 1 : 2로 하여 전압을 2배로 높여 준다.
② PIV(첨두역전압) : 권수비를 1 : 2로 하여 전압을 2배로 높여 주므로 첨두 역전압은 단상2선식의 2배가 되므로
첨두역전압(PIV)은 2× √2 E가 된다.
2) 다이오드가 4개인 경우 (브릿지 회로)

▣ 다이오드가 4개인 단상 전파 정류회로는 브릿지를 이용하여 다이오드가 2개인 단상 전파 정류회로의 전압이 2배로
높아지는 것을 해소하고 전파정류할 수 있도록 회로를 구성한다.
⊙ 첨두역전압(PIV)는 단상 반파정류회로와 마찬가지로 √2 E가 된다.
【정류회로 종합 정리】

※ 전압 E는 전압의 #실효값 을 의미한다.
※ 맥동률은 직류분 대비 교류분을 말하며 파형의 출렁거리림의 정도를 말한다.
직류분은 Ed 즉 평균값을 말하며, 교류분은 전체파형에서 직류분을 뺀 나머지 부분이다.

※ 3상 다이오드 정류회로는 다음 그림과 같다.

4. 사이리스터on (SCR : Silicon Controlled Rectifier) 정류회로

▣ 사이리스터는 본래 PNPN접합의 4층구조 반도체 소자를 총칭하지만, 그 중에서도 SCR이라 불리는 역저지 3단자
사이리스터(Reverse-Blocking Triode-Thyristor)를 말한다. SCR은 양극이 음극에 대하여 양전위일 때에만 Switch를
ON하고, 반대로 양극이 음극에 대하여 음전위에 있을 때에는 역저지 상태를 나타낸다.
특수한 #반도체 (半導體) 정류 소자로서, 소형이고 응답 속도가 빠르며, 대전력(大電力)을 미소한 압력으로 제어할 수
있을 뿐 아니라 수명이 반영구적이고 단단하므로 릴레이 장치, 조명 ‧ 조광 (調光) 장치, 인버터, 펄스 회로 등 대전력의
제어용으로 사용된다. 트랜지스터로는 할 수 없는 대전류, 고전압의 스위칭 소자(素子)로서 급속히 보급되었다.

【 출제 예상 문제 】
1. 60 [Hz]의 3상 전압을 전파정류하면 맥동 주파수는 ? ③
① 120 [HZ] ② 240 [HZ] ③ 360 [HZ] ④ 720 [HZ]
[해설] 맥동률 · 맥동주파수(60[Hz) 기준)
|
구 분
|
맥동률
|
맥동주파수
|
|
단상 반파
|
1.21
|
60 [HZ]
|
|
단상 전파
|
0.482
|
120 [HZ]
|
|
3상 반파
|
0.183
|
180 [HZ]
|
|
3상 전파
|
0.042
|
360 [HZ]
|
2. 전압 변동률이 10[%]인 정류회로에서 무부하 전압이 24[V]인 경우 부하시 전압은 몇 [V] 인가 ? ③
① 19.2 [V] ② 20.3 [V] ③ 21.6 [V] ④ 22.6[V]
[해설] #전압변동률
|
구 분
|
맥동률
|
맥동주파수
|
|
단상 반파
|
1.21
|
60 [HZ]
|
|
단상 전파
|
0.482
|
120 [HZ]
|
|
3상 반파
|
0.183
|
180 [HZ]
|
|
3상 전파
|
0.042
|
360 [HZ]
|
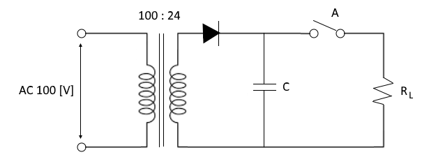
5. 그림과 같은 반파정류회로에 스위치 A를 사용하여 부하저항 RL 을 떼었냈을 경우 콘덴서 C의 #충전전압 은 몇 V가
되겠는가 ? ④

7. 그림과 같은 #정류회로 에서 부하 R에 흐르는 직류전류의 크기는 약 몇 [A]인가 ? (단, V = 200[V], R=20√2 [Ω]이다.) ①

'소방설비기사 (전기) > 소방전기일반' 카테고리의 다른 글
| 전기기기 (발전기, 전동기, 변압기) 출제 예상 문제 (0) | 2023.02.28 |
|---|---|
| 전기기기 (발전기 및 전동기) (2) | 2023.02.27 |
| 반도체 소자 종류 : 출제 예상 문제 (2) | 2023.02.27 |
| 반도체 소자의 종류 (다이오드, 트랜지스터) (0) | 2023.02.26 |
| 반도체 소자 (0) | 2023.02.25 |



