▣ 변압기 단락시험과 개방시험
가. 단락시험
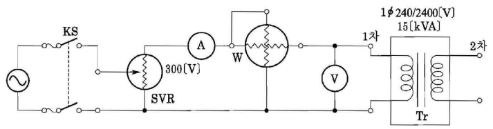
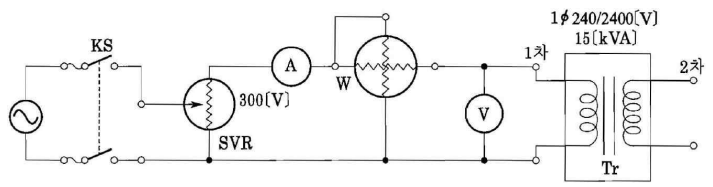
(1) 단락시험 회로

※ 단락시험시에는 전압계 · 전류계 모두를 1차측에 설치하여 1차측을 기준으로 계산한다.
▣ SVR : 슬라이닥스형 전압조정기, KS : 나이프 스위치 (Knife Switch)
W : 전력계 (전압코일 × 전류코일)
(2) 측정항목
① 임피던스 전압 : 변압기의 2차측(저압측)을 단락시키고 1차측(고압측)에 아주 낮은 전
압부터 서서히 전압을 높이게 되는데 1차측 단락전류가 평상시 정격부하를 걸었
을 때의 전류 즉 정격전류와 같게 되었을 때 이 때의 교류측에 인가하는 전압을
임피던스 전압이라 하며 이 때 교류 전압계의 지시값 V[V]로 표시한다.
② %임피던스 : 정격전압 대비 임피던스 전압강하의 비를 말한다.

③ 동손 : 단락시 전력손실을 말한다. P = I × V = I × V(I×R) = I2R
위 전력계 W (전류코일 × 전압코일 : P = I × V) 지시값 W[W]로 표시된다.
나. 개방시험
(1) 개방시험 회로도

(2) 측정항목
① 철손 : 시험용 변압기의 2차측(고압측)을 개방한 상태에서 슬라이닥스를 조정하여
시험용 변압기 1차측(저압측)의 전압이 정격전압과 동일하게 될 때의 교류
전력계의 지시값 W[W]로 표시한다.
▣ 변압기 2차측을 2차측을 개방하면 무부하 상태가 되고 무부하상태에서는 1차측에 접
압을 인가해도 2차측에는 전류가 흐르지 않는다. 이 때 1차측에는 변압기 내부 임피
던스 전압강하로 인해 아주 작은 전류가 흐르게 되는데 이 전류로 인한 전력손실이
철손이 된다. 즉, 철손은 (전압 × 전류 = I2R) 전력계값으로 나타난다.
※ 무부하시험과 단락시험으로 변압기의 효율 구하기
▣ 단락 시험에서의 동손 Pc값과 무부하 시험에서의 철손 Pi값 그리고, 시험용 변압기의
정격 출력[kVA]으로써 변 압기의 효율을 구할 수 있다.

▣ 2001년 전기기사 실기 기출문제
문제 . 7 변압기 시험용 기자재가 그림과 같이 있을 때 다음 각 물음에 답하시오.
(1) 단락시험 회로를 구성하시오.
(2) 무부하시험 (개방시험) 회로를 변압기 시험 기자재로 구성하시오.
(3) 단락시험을 했다고 가정하고 임피던스 전압, %임피던스, 동손을 구하는 방법을 설명
하시오.
(4) 무부하 시험으로 철손을 구하는 방법을 설명하시오.
(5) 단락시험, 무부하 시험으로 변압기 효율을 구하는 방법을 간단히 설명하시오.
(6) %임피던스와 변압기 고장시 단락고장전류, 변압기 전압변동률과의 간단히 설명하시오.
※ 회로 구성시 주어진 기자재 이외에 필요한 것이 더 있으면 추가하고, 불필요한 것이 있
으면 빼내고 회뢰를 구성하도록 한다.
[답안작성]
(1) 단락시험 회로를 구성하시오.

※ 단락시험은 저압측 2차 단자를 단락한다.
(2) 무부하시험 (개방시험) 회로를 변압기 시험 기자재로 구성하시오.

※ 개방시험은 고압측 2차 단자를 개방한다.
(3) 단락시험을 했다고 가정하고 임피던스 전압, %임피던스, 동손을 구하는 방법을 설명
하시오.
① 임피던스 전압 : 시험용 변압기 2차측(저압측)을 단락한 상태에서 슬라이닥스를 조정
하여 1차측 단락전류가 1차측 정격전류와 같게 흐를 때 1차측 단자전압

③ 동손 : 교류 전력계의 지시값을 기준온도 75[℃]로 환산한 값이 된다
(임피던스 와트[W])
(4) 무부하 시험으로 철손을 구하는 방법을 설명하시오.
▣ 변압기의 2차측(고압측)을 개방한 상태에서 슬라이닥스를 조정하여 교류 전압계의 지
시값이 1차(저압측) 정격전압값일 때의 전력계의 지시값[W]이다.
(5) 단락시험, 무부하 시험으로 변압기 효율을 구하는 방법을 간단히 설명하시오.
① 단락시험을 하여 동손 측정
② 개방 시험을 하여 철손 측정
③ 변압기 효율 산정

(6) %임피던스와 변압기 고장시 단락고장전류, 변압기 전압변동률과의 간단히 설명하시오.

'전기기사 실기' 카테고리의 다른 글
| 2001년 전기기사 기출문제 풀이 (0) | 2022.03.17 |
|---|---|
| 3상 변압기 2상 결선 전압 구하기 (0) | 2022.03.17 |
| 특고압 수전설비 표준결선도 (0) | 2022.03.16 |
| 심야전력기기 배선방법 (0) | 2022.03.16 |
| 차단기 용량 결정 (0) | 2022.03.15 |
