반응형
【 2002년 전기기사 실기 문제 】
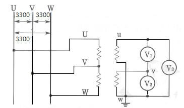
문제 6. 어떤 전기설비에서 3,300[V]의 고압 3상 회뢰에 변압비 33상의 계기용 변압기
2대를 그림과 같이 설치하였다. 전압계 V1, V2, V3 의 지시값을 각각 구하여라.

【문제풀이】
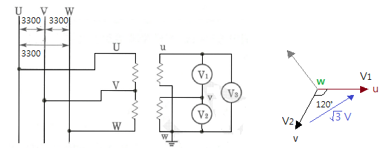
가. 3상 송전선에서 서로 다른 2선간에는 위상차가 120˚ 발생한다.
나. 서로 다른 2선간의 전압은 한상 전압의 √3배이다.

※ 위 그림에서와 같이 V1과 V2 간의 위상은 120˚ 차이가 발생한다.
따라서 V1과 V2 간의 전압은 한상의 전압의 √3배가 된다.
다. 변압비는 상전압을 기준으로 한다.
변압비는 E1 / E2 로 나타낸다.

※ 1차 전압과 전압비가 주어지면 2차 전압을 구할 수 있다.
이상의 사항을 바탕으로 주어진 문제를 풀어 보자.
[답안작성]
(1) V1의 지시값을 구해 보자.
▣ V1 에는 V1 과 V2 간의 선간전압이 지시하게 된다. V1 과 V2 간에는 위상차가
있으며 위상차는 120˚ 이며 이로 인해 한상의 전압의 √3배가 된다.
또한 전압비가 33배 이므로 이를 적용하여 변압기 2차측 전압을 구하면 된다.

(2) V2 의 지시값을 구해 보자.
▣ V2 의 지시값은 전압비를 이용하여 산정할 수 있다.

(3) V3 의 지시값을 구해 보자.
▣ V3 의 지시값은 전압비를 이용하여 산정할 수 있다.

반응형
'전기기사 실기' 카테고리의 다른 글
| 송전선의 전선굵기 선정 (0) | 2022.03.18 |
|---|---|
| 2001년 전기기사 기출문제 풀이 (0) | 2022.03.17 |
| 변압기의 개방시험과 단락시험 (공장시험) (0) | 2022.03.16 |
| 특고압 수전설비 표준결선도 (0) | 2022.03.16 |
| 심야전력기기 배선방법 (0) | 2022.03.16 |
