【 보호계전기 시스템】
▣ 보호계전기 시스템은 부하기기를 보호하는 전기시스템이다.
▣ 보호계전기 시스템은 검출부, 판정부, 동작부로 구성된다.
⊙ 검출부 : 과전류, 과전압, 부족전압 등 전기신호를 검출하는 것으로
변류기, 계기용 변압기 등으로 구성된다.
⊙ 판정부 : 정상전류인지 과전류인지, 과전압인지 정상전압인지 등을 판별하는 것으로
주로 계전기로 대변된다.
⊙ 동작부 : 판정부의 동작신호를 받아 전원 등을 차단하는 것으로 차단기로 대변된다.

▣ 변류기의 변류비(CT비)가 10/5라고 한다면, 정상전류 전선에 전규가 5[A]가 흐른다면
변류기에 의하여 계전기에는 2.5[A]가 공급된다. 이 때 계전기는 작은 전류로 인식하여
계전기의 접점이 붙지 않는다. 반면 전선에 과전류 10[A]가 흐르게 된다면, 변류기는
계전기에 정상시 보다 2배가 많은 5[A]를 공급하게 되므로 계전기는 과전류로 인식하여
릴레이의 접점을 닫게 되고 이로 인하여 트립장치에 전원이 연결되어 결국 차단기가
동작하게 된다.
1. 차단기 (Circuit Breaker)
▣ 차단기는 계전기의 전기신호를 받아 전원을 차단하는 것으로 차단기의 접점을 코일 즉
전자석에 의하여 접점을 열고 닫는다.

※ 트립코일에 전류가 흐르면 코일이 전자석이 되는데 이를 여자되었다고 한다.
▣ 계전기(릴레이)에 의하여 트립코일에 전류가 흐르게 되면 트립코일은 전자석이 되어
차단기의 접점(가동접촉자)을 열고 닫게 된다.

▣ 트립코일은 일종의 전자석이다. 트립코일에 전류가 흐르면 자속이 발생하고 이를 여자
되었다고 하며 트립코일은 전자석이 된다.
2. 계전기 (Relay)
▣ 계전기는 코일 즉, 전자석과 가동접점으로 구성되어 있다.
⊙ 코일 즉 전자석에 일정값 이하의 전류가 흐르면 전자석의 힘이 약해 가동접점을 작동
시키지 못하고 코일에 일정값 이상의 전류가 흐르면 전자석의 힘이 강해져서
가동접점을 동작시키게 된다.

3. 계기용 변류기 (CT : Current Transformer)
▣ 계기용 변류기는 전선에 흐르는 전류값을 측정하여 판정부 즉 계전기(Relay)에
공급한다.


※ 보호계전기 시스템
① 검출부 : 전류, 전압 등 측정 CT, PT 등
② 판정부 : 정상인지 고장인지 판별, 계전기 (Relay)
③ 동작부 : 계전기의 지시에 따라 동작실행, 차단기 등
4. 검출부
▣ 검출부는 전류, 전압 등의 전기신호값을 측정하여 계전기(Relay)에 공급한다.
⊙ 종류 : CT, PT, ZCT, GPT 등
▣ CT :계기용 변류기 (CT : Current Trasformer)
▣ PT : 계기용 변압기 (PT : Potential Trasformer)
▣ ZCT : 영상변류기 (Zero-Phase Current Transformer)
⊙ 지락사고시 영상전류 Io 검출
▣ GPT : 접지형 계기용 변압기 (Ground Potential Transformer)
⊙ 지락사고시 영상전압(Vo) 검출

※ 지락사고가 발생하면 영상전류가 흐르고 영상은 접지와 의미가 같다. Z = G
GPT에서 Open △결선의 결선방법은 다음과 같다.

가. PT : 계기용 변압기
▣ 계기용 변압기는 어떤 전압값을 이에 비례하는 전압값으로 변성하는 계기로
고압을 저압으로 변성하여 계기나 계전기에 전원으로 공급한다.

▣ 계기 : 지시계 - 전압계, 전류계, 전력계, 주파수계 등
▣ 계전기 : Relay - OCR, OVR, UVR 등
나. CT : 변류기
▣ 어떤 전류값을 이에 비례하는 전류값으로 변성하는 계기로 검출부에서는
주로 과전류를 검출한다.
1) CT비 선정 (정격 1차 전류 선정)

① 최대 부하전류
▣ 일반적으로 부하전류는 설비용량의 전체를 사용하지 않으므로 설비용량을
부하의 정격전압으로 나누면 최대 부하전류가 된다.

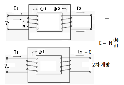
2) 변류기 2차측을 단락하는 이유 (2차측을 개방해서는 안되는 이유?)
▣ 2차측의 절연 보호를 위하여 ⇒ 2차측에 고전압이 유기되어 위험하다.

▣ 일반적으로 변압기 1차측에 전류가 흐르면 자속이 발생하고 이 자속은 2차측
코일에도 자속이 발생시키므로 2차측에 전류 I2가 흐르게 된다. 2차측 전류
I2는 1차측 자속과 반대방향의 자속 φ를 발생시키는데 이로 인해 1차측 자속과
감쇠작용을 일으켜 2차측에 적정 전압을 유지하게 한다.
▣ 하지만 2차측을 개방하게 되면 2차측에 전류 I2가 흐르지 않게 되고 이로 인해
1차측 자속 φ는 감쇠작용을 받지 않으므로 2차측에 과전압을 유기시켜 절연파괴의
문제 등을 일으킬 수 있다.
따라서 변류기 CT를 연결할 때는 반드시 2차측을 단락시킨 후 변류기를 연결한다.
'전기인이 되는 길 > 전력공학' 카테고리의 다른 글
| 보호계전기 동작부 - 차단기, 차단기 단로기 전력퓨즈 기출문제 (0) | 2021.09.16 |
|---|---|
| 보호계전기시스템 (차단기, 계전기, CT, PT 등) - 2 (0) | 2021.09.14 |
| 역섬락과 매설지선 (2) | 2021.09.14 |
| 가공지선 (0) | 2021.09.14 |
| 피뢰기 (LA : Lighting Arrester) (0) | 2021.09.08 |