자동방화문 - 도면 및 출제 예상 문제
1. 자동방화문설비의 배선 가닥수 (기본 가닥수 : 3가닥) - 1회로 기준
|
기본가닥수
|
공통
|
기동
|
자동방화문
폐쇄 확인
|
회로 (감지기)
|
|
가닥수의
증감조건
|
무조건
1가닥
|
해당 방화문
구역 마다
1가닥씩 추가
|
자동방화문(도어
릴리즈)수 또는
자동폐쇄기수 마다
1가닥씩 추가
|
해당 자동 방화문
구역 마다
1가닥씩 추가
|
※ 문제의 조건에서 교류전원을 사용할 경우 교류전원 2가닥을 추가한다.
[참고] 자동방화문설비 배선의 동일 명칭
|
기본 가닥수
|
공통
|
기동
|
자동방화문 폐쇄확인
|
회로 (감지기)
|
|
동일 명칭
|
-
|
-
|
확인, 자동방화문 확인
|
지구, 감지기
|
※ 자동방화문은 솔레노이드 방식으로 구동
⊙ 평상시에는 자석의 힘으로 붙잡아 있다가 기동시 자석이 힘을 잃어 자동으로 폐쇄됨
⊙ SOL 방식 배선 : 공통, 기동, 확인
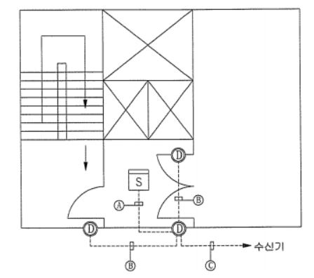
2. 계통도

◈ 수신기 쪽으로 화살표가 있다는 것은 배선을 수신기로 보내라는 의미로 해석
◈ D는 방화문 도어 셔터를 의미한다.
◈ 하나의 방화구역내 자동방화문은 기동 하나로 일제 폐쇄방식을 취한다.
◈ 방화문폐쇄확인은 방화문 수 마다 증가하게 된다.
◈ 기동은 층이 증가하거나 방화구역이 증가하면 증가하게 된다.
※ 배선내역
|
기호
|
구간
|
배선의 종류
|
배선수
|
배선의 용도
|
|
A
|
감지기 ↔ 자동폐쇄기
|
HFIX 1.5 ㎟
|
4
|
지구 2, 지구공통 2
|
|
B
|
자동폐쇄기 ↔
자동폐쇄기
|
HFIX 2.5 ㎟
|
3
|
공통, 기동, 확인
|
|
C
|
자동폐쇄기 ↔ 수신기
|
HFIX 2.5 ㎟
|
9
|
지구 2, 지구공통 2, 공통,
기동, 확인 3
|
[참고] 자동방화문 (Door Release) 설비
|
상시 개방된 피난계단 전실 등의 출입문을 화재감지기의 작동 또는 기동 스위치의 조작 등에 의하여 방화문을 폐쇄시켜
화재발생시 발생되는 연기가 유입되지 않도록 하기 위한 설비 |
① 결선도

※ 자동방화문은 평상시에는 자석의 힘으로 붙잡아 놓아야 하므로 공통선과 기동선이 접점이 붙어 있고 기동이 되어
접점이 떨어지면 C접점 형태로 확인 쪽으로 접점이 붙게 된다.
② 계통도

※ 배선 내역
|
구분
|
배선수
|
전선규격
|
전선관규격
|
용 도
|
|
①
|
3
|
HFIX 2.5 ㎟
|
16 C
|
공통, 기동, 확인
|
|
②
|
4
|
HFIX 2.5 ㎟
|
16 C
|
공통, 기동, 확인 2
|
|
③
|
7
|
HFIX 2.5 ㎟
|
22 C
|
공통, (기동, 확인 2) × 2
|
|
④
|
10
|
HFIX 2.5 ㎟
|
28 C
|
공통, (기동, 확인 2) × 3
|
【 출제 예상 문제】
1. 다음은 자동방화문설비의 자동방화문에서 R type REPEATER까지의 결선도 및 계통도에 대한 것이다.
주어진 조건을 참조하여 각 물음에 답하시오.
[조건]
⊙ 전선의 가닥수는 최소한으로 한다.
⊙ 방화문 감지기 회로는 본 문제에서 제외한다.
⊙ 자동방화문설비는 층별로 구획되어 설치되어 있다.

가. 결선도상의 기호 ① ~ ④ 의 배선 명칭을 쓰시오.
① 기동 ② 공통 ③ 확인 1 ④ 확인 2
나. 계통도상의 기호 ① ~ ③ 의 가닥수와 용도를 쓰시오.
① 3가닥 (공통 1, 기동 1, 확인 1)
② 4가닥 (공통 1, 기동 1, 확인 2)
③ 7가닥 (공통 1, (기동 1, 확인 2) × 2)
2. 다음의 도면은 자동방화문설비의 계통도이다. A ~ C의 배선수 및 용도를 쓰시오.

[답안작성]
|
기호
|
구간
|
배선의 종류
|
배선수
|
배선의 용도
|
|
A
|
감지기 ↔ 자동폐쇄기
|
HFIX 1.5㎟
|
4
|
회로 공통 2, 감지기 2
|
|
B
|
자동폐쇄기 ↔ 자동폐쇄기
|
HFIX 2.5㎟
|
3
|
공통1, 기동1, 확인 1
|
|
C
|
자동폐쇄기 ↔ 수신기
|
HFIX 2.5㎟
|
9
|
회로공통 2, 감지기 2, 방화
문 공통 1, 기동 1, 확인 3
|
3. 다음은 방화셔터설비에 관한 그림이다. 그림을 보고 표 안의 배선수 및 배선의 용도를 쓰시오.

[답안작성]
|
기호
|
구간
|
배선수
|
배선의 용도
|
|
①
|
감지기 ↔ 연동제어반
|
4
|
지구 2, 공통 2
|
|
②
|
폐쇄장치 ↔ 연동제어반
|
3
|
기동, 공통, 확인
|
|
③
|
연동제어반 ↔ 수신반
|
6
|
지구1, 공통 1, 기동 2, 확인 2
|
#방화셔터 #자동방화문 #자동폐쇄기 #감지기 #계통도 #연동제어반 #결선도 #계통도
#피난 #계단 #방화문 #화재감지기 #스위치 #도어릴리즈 #교류 #전원 #수신기 #전선관